Sb412
SB412
Escavadora
Novo
Fundição
HRC63
De acordo com as necessidades do cliente
China
Caçamba da Escavadeira
CE
Sb412
Cr Ferro Branco e Aço Suave
OEM
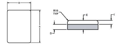
200 mm x 150 mm x 45 mm
8431499900
1. Descrição:
Nome: borda abobadada SB412
Descrições:
Material: Cr ferro branco e aço carbono
Dureza: HRC63
Fácil de cortar - permitindo personalizar a proteção para diferentes especificações
Fácil de dobrar - oferece proteção em uma superfície com contornos.
Use barras chocky com placa de apoio pré-entalhada.
Disponível em 5 tamanhos - com placa de apoio padrão ou pré-entalhada.
Aplicações:
Tiras de desgaste de balde.
Substitui o revestimento duro por brocas, cabeçotes de perfuração direcionais, perfuração de fundação, perfuração de orifício de elevação.
Revestimentos de pá de ventilador.
Pás do moinho Pug, ponta e raspadores.
Indústria de reciclagem.
Plaina de estrada derrape e proteja protetores.
Substitui o revestimento duro por carcaças de bombas e impulsores
2. nossa gama de produtos
3Itens populares sopram para referência:
| Parte No. | Um (mm) | B (mm) | C (mm) | D (mm) | E (mm) | Peso (kg) |
| DLP-1920 | 75 | 25 | 17 | 8 | 25 | 0.7 |
| DLP-1921 | 100 | 50 | 17 | 8 | 25 | 1.1 |
| DLP-1994 | 100 | 70 | 24 | 8 | 32 | 1 |
| DLP-2196 | 130 | 80 | 15 | 8 | 23 | 1.3 |
| DLP-4771 | 148 | 108 | 25 | 10 | 35 | 2.3 |
| Parte No. | Um (mm) | B (mm) | C (mm) | D (mm) | E (mm) | Peso (kg) |
| DLP 4 | 300 | 38 | 25 | 8 | 33 | 3 |
| DLP 295 | 153 | 38 | 25 | 8 | 33 | 1.6 |
| DLP 508 | 190 | 50 | 20 | 10 | 30 | 2.3 |
| DLP 125 | 230 | 50 | 38 | 12 | 50 | 4.6 |
| DLP 1101 | 150 | 50 | 40 | 10 | 50 | 3 |
| DLP 528 | 150 | 75 | 40 | 10 | 50 | 4.5 |
| DLP 619 | 150 | 75 | 50 | 10 | 60 | 5.3 |
| Parte # | Um (mm) | B (mm) | C (mm) | D (mm) | E (mm) | Peso kg |
| SB 413 | 200 | 150 | 20 | 25 | 45 | 10.5 |
| SB 412 | 250 | 150 | 20 | 25 | 45 | 13.1 |
| SB 414 | 250 | 250 | 20 | 25 | 45 | 22 |
4. nosso armazém:
Informação 5.Company
Ningbo Beneparts Machinery co., Ltd como seu fornecedor confiável GET peças, oferecendo uma gama completa de peças de reposição adequado para todos os tipos de máquinas de terraplenagem que se aplicam à mineração, construção, agricultura etc Como Escavadeira, Escavadeira, Carregadeira, Retroescavadeira, Raspador, Triturador e em breve. As peças de reposição que fornecemos incluem peças fundidas como dentes de caçamba, adaptador, protetor labial, protetor, haste do ríper etc. e peças forjadas como dentes de caçamba forjada, aresta de corte, lâminas niveladoras, segmento, ponta etc. e também peças resistentes ao desgaste como barras chocky, botões de desgaste, cromo combinado placa de desgaste etc. e peças combinadas como pino, arruela, parafusos e porcas etc. Nossas peças cobrem marcas de máquina Caterpillar, Komatsu, Volvo Doosan, Daewoo, Hyundai, Case, JCB, Kobelco, Liebherr John Deere etc.
Beneparts tem uma equipe de vendas muito forte e fabricante firmemente cooperada com alta tecnologia e foco na qualidade com mais de 28 anos de experiência.
Nossas vantagens são quatro vezes, nossa:
1. forte equipe técnica, e nós temos a capacidade de formular materiais para atender às necessidades específicas dos projetos de nossos clientes.
Sistema de monitoração da qualidade 2.Perfect, e série completa de facilidades avançadas, como a máquina da análise de componente, a máquina do impacto, a máquina da força elástica etc.
3. Experiência rica para fazer o negócio de OEM / ODM, podemos desenvolver itens como por desenhos e amostras, se você tem exigência específica.
4. Gestão eficiente, nós podemos o tempo de entrega curto e nós temos o bom serviço pós-venda que mantêm a cooperação a longo prazo do negócio com nossos clientes
Nosso compromisso com você é sempre fornecer atendimento rápido, conveniente e eficaz.
Ansiosos para conhecê-lo!
1. Descrição:
Nome: borda abobadada SB412
Descrições:
Material: Cr ferro branco e aço carbono
Dureza: HRC63
Fácil de cortar - permitindo personalizar a proteção para diferentes especificações
Fácil de dobrar - oferece proteção em uma superfície com contornos.
Use barras chocky com placa de apoio pré-entalhada.
Disponível em 5 tamanhos - com placa de apoio padrão ou pré-entalhada.
Aplicações:
Tiras de desgaste de balde.
Substitui o revestimento duro por brocas, cabeçotes de perfuração direcionais, perfuração de fundação, perfuração de orifício de elevação.
Revestimentos de pá de ventilador.
Pás do moinho Pug, ponta e raspadores.
Indústria de reciclagem.
Plaina de estrada derrape e proteja protetores.
Substitui o revestimento duro por carcaças de bombas e impulsores
2. nossa gama de produtos
3Itens populares sopram para referência:
| Parte No. | Um (mm) | B (mm) | C (mm) | D (mm) | E (mm) | Peso (kg) |
| DLP-1920 | 75 | 25 | 17 | 8 | 25 | 0.7 |
| DLP-1921 | 100 | 50 | 17 | 8 | 25 | 1.1 |
| DLP-1994 | 100 | 70 | 24 | 8 | 32 | 1 |
| DLP-2196 | 130 | 80 | 15 | 8 | 23 | 1.3 |
| DLP-4771 | 148 | 108 | 25 | 10 | 35 | 2.3 |
| Parte No. | Um (mm) | B (mm) | C (mm) | D (mm) | E (mm) | Peso (kg) |
| DLP 4 | 300 | 38 | 25 | 8 | 33 | 3 |
| DLP 295 | 153 | 38 | 25 | 8 | 33 | 1.6 |
| DLP 508 | 190 | 50 | 20 | 10 | 30 | 2.3 |
| DLP 125 | 230 | 50 | 38 | 12 | 50 | 4.6 |
| DLP 1101 | 150 | 50 | 40 | 10 | 50 | 3 |
| DLP 528 | 150 | 75 | 40 | 10 | 50 | 4.5 |
| DLP 619 | 150 | 75 | 50 | 10 | 60 | 5.3 |
| Parte # | Um (mm) | B (mm) | C (mm) | D (mm) | E (mm) | Peso kg |
| SB 413 | 200 | 150 | 20 | 25 | 45 | 10.5 |
| SB 412 | 250 | 150 | 20 | 25 | 45 | 13.1 |
| SB 414 | 250 | 250 | 20 | 25 | 45 | 22 |
4. nosso armazém:
Informação 5.Company
Ningbo Beneparts Machinery co., Ltd como seu fornecedor confiável GET peças, oferecendo uma gama completa de peças de reposição adequado para todos os tipos de máquinas de terraplenagem que se aplicam à mineração, construção, agricultura etc Como Escavadeira, Escavadeira, Carregadeira, Retroescavadeira, Raspador, Triturador e em breve. As peças de reposição que fornecemos incluem peças fundidas como dentes de caçamba, adaptador, protetor labial, protetor, haste do ríper etc. e peças forjadas como dentes de caçamba forjada, aresta de corte, lâminas niveladoras, segmento, ponta etc. e também peças resistentes ao desgaste como barras chocky, botões de desgaste, cromo combinado placa de desgaste etc. e peças combinadas como pino, arruela, parafusos e porcas etc. Nossas peças cobrem marcas de máquina Caterpillar, Komatsu, Volvo Doosan, Daewoo, Hyundai, Case, JCB, Kobelco, Liebherr John Deere etc.
Beneparts tem uma equipe de vendas muito forte e fabricante firmemente cooperada com alta tecnologia e foco na qualidade com mais de 28 anos de experiência.
Nossas vantagens são quatro vezes, nossa:
1. forte equipe técnica, e nós temos a capacidade de formular materiais para atender às necessidades específicas dos projetos de nossos clientes.
Sistema de monitoração da qualidade 2.Perfect, e série completa de facilidades avançadas, como a máquina da análise de componente, a máquina do impacto, a máquina da força elástica etc.
3. Experiência rica para fazer o negócio de OEM / ODM, podemos desenvolver itens como por desenhos e amostras, se você tem exigência específica.
4. Gestão eficiente, nós podemos o tempo de entrega curto e nós temos o bom serviço pós-venda que mantêm a cooperação a longo prazo do negócio com nossos clientes
Nosso compromisso com você é sempre fornecer atendimento rápido, conveniente e eficaz.
Ansiosos para conhecê-lo!